"Техника и вооружение 2010 03" - читать интересную книгу автора

«ДРАКОН», ИСПЕПЕЛЯЮЩИЙ ТАНКИ

Продолжение. Начало см. в «ТиВ» №9,10/2009г., № 1,2/2010г.

М. Павлов, И. Павлов

Использованы иллюстрации из архивов авторов, А. Хлопотова и редакции.



КРАТКОЕ ОПИСАНИЕ КОНСТРУКЦИИ ИСТРЕБИТЕЛЯ ТАНКОВ ИТ-1

Истребитель танков ИТ-1 представлял собой боевую гусеничную машину, имевшую мощное ракетное оружие, надежную броневую защиту и высокую маневренность. Он предназначался для поражения танков и других подвижных и неподвижных бронированных целей на дальностях до З,Зкм. ИТ-1 выпускался на базе среднего танка Т-62 и отличался от него главным образом наличием комплекса управляемого ракетного вооружения, установленного в новой низкопрофильной башне.

Схема компоновки машины – классическая. В состав экипажа входили три человека: командир машины, наводчик-оператор и механик-водитель.

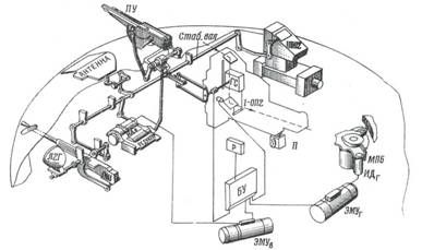
Боевое отделение истребителя танков находилось в средней части корпуса и в башне. Его компоновка и оборудование полностью отличались от боевого отделения танка Т-62. Внутри башни по центру устанавливалась система заряжания и пуска (СЗП), состоящая из механизма заряжания (механизированный стеллаж на 12 управляемых ракет) и пусковой установки. На каркасе механизма заряжания слева размещалось сиденье командира, справа – сиденье наводчика-оператора.

В передней части башни, в коробчатом основании, устанавливалась станция наведения, под ней – передатчик радиокоманд (станции наведения) и над передатчиком – стабилизированный вал с редуктором стабилизации. Посредством данного вала осуществлялась стабилизация поля зрения ночного прицела, антенны станции наведения, пулемета ПКТ и осветителя ночного прицела.

Слева от командира находилась радиостанция Р-123. Впереди оператора, справа от стеллажа, устанавливался дневной прицел 1-ОП2. Правее располагались: ночной прицел 1ПН12, блоки устройства выработки команд и шифратора, пульт наводчика-оператора (был составной частью дневного прицела), три диссекторных блока устройства съема координат (блоки крепились на прицелах: два – на дневном и один – на ночном) и высоковольтный выпрямитель. Справа от оператора располагался пульт оператора и над ним – указатель положения башни.

Снаружи в передней части башни, выше передатчика, размещалась антенна станции управления. На машинах первых выпусков в задней части башни монтировался чувствительный датчик поперечной составляющей ветра. На серийных истребителях танков ИТ-1 датчик ветра размещался в передней части пусковой установки. Слева в крыше башни над рабочим местом командира машины находилась вращающаяся командирская башенка с люком с системой командирского целеуказания, четырьмя призменными приборами наблюдения и комбинированным для дневного и ночного наблюдения прибором ТКН-3, над которым устанавливался осветитель ОУ-ЗКГ. Справа в крыше башни размещался люк наводчика-оператора. Перед ним в крыше башни устанавливался один призменный прибор наблюдения. Позади люка имелся лючок для установки трубы ОПВТ. Между люками командира и наводчика-оператора располагался люк выдачи пусковой установки с ракетой. Слева на передней части башни были смонтированы прожектор Л-2Г ночного прицела и фара ФГ-125.


Башня истребителя танков ИТ-1. Хорошо видны ночной и дневной прицелы, а также броневая крышка антенного устройства радиокомандной линии.


Продольный разрез истребителя танков ИТ-1 выпуска 1967 г.




Вверху и справа: дневной прицел 1-ОП2 и его оптическая и кинематическая схема.


Ночной прицел 1ПН12.




На днище корпуса истребителя танков, по оси вращения башни, устанавливались вращающееся контактное устройство ВКУ-330 и погонное устройство механизированной укладки.

Вооружение истребителя танков состояло из управляемых ракет, располагаемых в механизируемой укладке, с аппаратурой 2К4, дневного и ночного прицелов (1-ОП2 и 1ПН12), стабилизатора 2ЭЗ, пусковой установки и стабилизированного 7,62-мм пулемета, который устанавливался в левой части башни.

Система управления – полуавтоматическая (оператор наводил центральную марку (ЦМ) на цель, система управления автоматически удерживала ракету на ЦМ), командная с передачей команд на ракету по радиоканалу.

Время перевода комплекса из походного положения в положение готовности, определяемое временем раскрутки гироскопов, достигало 1-1,5 мин, из положения готовности в боевое – 6 с, время непрерывной работы – 4 ч.

Для поиска целей и прицеливания, сопровождения цели ЦМ в процессе полета ракеты, а также для стрельбы из спаренного пулемета ПКТ использовался монокулярный, перископический, со стабилизированным полем зрения в двух плоскостях дневной прицел 1-ОП2, имевший 8-кратное увеличение; угол зрения визуальной ветви прицела составлял 9°.

Для стрельбы ночью применялся инфракрасный, электронно-оптический, монокулярный, перископический прицел 1ПН12 с 7,3-кратным увеличением и полем зрения визуальной ветви 4°, стабилизацией поля зрения в вертикальной плоскости. Он устанавливался в башне справа от прицела 1-ОП2. В качестве источника инфракрасного света использовался прожектор Л-2Г с ИК-фильтром. Защитные стекла прицелов имели систему электрического обогрева.

Система обеспечивала максимальную дальность стрельбы днем – 3,3 км, ночью с места – от 400 до 600 м. Минимальная дальность стрельбы днем составляла 300 м (определялась временем взведения взрывателя). Непоражаемое пространство перед танком при стрельбе из спаренного пулемета составляло 25 м.

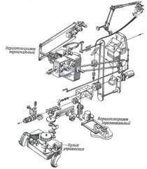
Пусковая установка реечного типа, предназначенная для захвата ракеты и подачи ее на линию пуска, монтировалась внутри боевого отделения и выдавалась на время пуска ракеты из башни через люк в крыше. Углы наводки пусковой установки по вертикали составляли от -9 до +17°, а спаренного с ней пулемета – от -6 до +17°. Наводка по горизонту осуществлялось поворотом башни. Скорости вертикальной наводки пусковой установки составляли от 0,07 до 0,09 град./с (перебросочная скорость – не менее 3 град./с), по горизонтали – от 0,07 до 3 град./с (перебросочная – 20-25 град./с). Механизм поворота башни имел ручной и электрический приводы раздельного действия. Для определения положения башни использовался сельсиновый, дистанционный указатель положения башни относительно корпуса машины.

Люлька пусковой установки совместно с полем зрения дневного и ночного прицелов, зеркала дальномера, антенны наведения снаряда, пулеметом ПКТ и прожектором ночного прицела Л-2Г стабилизировалась в вертикальной плоскости с помощью стабилизированного вала и системы стабилизации. Следящей системой за положением головного зеркала дневного прицела являлся двухплоскостной стабилизатор 2ЭЗ с электромашинными приводами вертикального и горизонтального наведения. Стабилизированное в двух плоскостях головное зеркало прицела служило задатчиком для следящих систем стабилизации стабилизированного вала в вертикальной плоскости и башни танка – в горизонтальной плоскости.

Перед пуском ракеты определялась дальность до цели, установка которой в прицеле производилась с помощью маховичка установки дальности. Удерживая ЦМ прицела на цели, наводчик-оператор нажимал кнопку пуска, производя пуск управляемой ракеты. В момент пуска перед входным окном прицела автоматически в течение 1,5 с устанавливалась воздушная завеса. В условиях дождя и зимой работал «дворник».

После схода ракеты пусковая установка автоматически убиралась внутрь башни.

Для уверенного встреливания ракеты в зону захвата станции управления ПУ имела возвышение над линией визирования по вертикали Зо20', а башня – смещение на поправку от действия поперечной составляющей ветра. Первые 0,5 с ракета летела по баллистической траектории неуправляемой.


Оптическая схема прицела 1ПН12.


Кинематическая схема стабилизатора вооружения истребителя танков ИТ-1.


Антенное устройство радиокомандной линии.


После того, как ракета попадала в центр поля зрения прицела (примерно через 1-1,5 с после старта), она приводилась к линии визирования ЦМ с точностью 0,2-0,3 м. Процесс формирования команд осуществлялся в аналоговом счетно-решающем устройстве (СРУ). Выработка команд производилась за счет непрерывного снятия углового положения ракеты от ЦМ с помощью телевизионной системы и последующего пересчета в линейные отклонения. Величины команд определялись как сумма в определенных пропорциях трех текущих значений: самого отклонения, первой и второй производных.

Радиоканал обеспечивал управление на любой комбинации из семи частот и двух кодов (всего 14 вариантов частотно-кодовых комбинаций), что позволяло вести одновременную стрельбу из нескольких истребителей танков по близлежащим (движущимся) целям на всех дистанциях как с места, так и сходу в дневных условиях, ночью – с места. В качестве запасного варианта управления ракетой при стрельбе днем было предусмотрено ручное управление при визуальном наблюдении оператором цели и ракеты.

Съем координат снаряда обеспечивался последовательно каналами «А» и «Б» в дневных условиях и каналом «В» – в ночных условиях.

Канал начального захвата и сопровождения «А» обеспечивал захват, сопровождение снаряда на ближней дистанции (до 500 м) и передачу его каналу «Б». Угол поля зрения этого канала составлял 9°30', что достигалось применением в оптической системе прицела 1-ОП2 короткофокусного объектива.

Канал сопровождения «Б» обеспечивал перехват снаряда и удержание его на ЦМ прицела на дальней дистанции (от 300 м и дальше) за счет увеличения масштаба изображения длиннофокусным объективом этого канала прицела. Угол поля зрения канала составлял Г.

Канал «В» обеспечивал захват и сопровождение снаряда на всей дистанции (угол поля зрения – 6°52'). В каждом канале использовалось по одному диссекторному блоку. На три канала устройства съема координат имелись два блока формирования управляющих напряжений. Один из блоков работал на двух каналах: либо в «А» (днем), либо в «В» (ночью). Другой блок работал только в «Б».

Электрические центры каналов были конструктивно съюстированы с оптической осью прицела (центром перекрестия). Перед стрельбой наводчик был обязан произвести установку нулей в каждом канале по встроенному в прицелы имитатору трассера.

Излучение сверхвысокочастотных сигналов команд управления ракетой в направлении ее полета производилось с помощью плоской стабилизированной в вертикальной плоскости антенны с фазированной решеткой. Она устанавливалась на лобовом скате башни танка, и направление ее излучения было стабилизировано в двух плоскостях: в горизонтальной плоскости – вместе с башней, в вертикальной – специальным устройством от стабвала. Антенна была выполнена в виде направляющей системы, состоящей из стальной плиты с излучателями и нижней подвижной пластины. Фазовая скорость высокочастотных колебаний в направляющей системе менялась за счет изменения расстояния между пластинами (оно было близко к длине волны излучения). Стальная плита толщиной 20 мм имела излучающие отверстия диаметром 7 мм, внутри которых были впаяны скрутки для изменения поляризации излучения с диэлектрическим наполнителем, позволяющим осуществить через отверстия излучение с длиной волны 2 см.

Подвижная пластина имела механизм для ее параллельного перемещения относительно замедляющей пластины с помощью привода от стабилизированного вала. За счет изменения зазора между этими двумя пластинами направление высокочастотных колебаний отклонялось на определенный угол относительно излучающей поверхности антенны синхронно с линией прицеливания, тем самым обеспечивая направленное излучение по линии прицеливания. С одной стороны к стальной плите крепилась согласованная нагрузка для поглощения СВЧ-энергии, с другой – параболический отражатель. Вся электромеханическая часть блока была закрыта кожухом.

Система наведения ракеты обеспечивала два режима стрельбы: без превышения, когда ракета двигалась по линии прицеливания, и с превышением, когда она летела выше линии прицеливания на 1,5 м и перед целью автоматически выводилась на нее. Стрельба с превышением велась в том случае, если в направлении цели имелись выступающие местные предметы.

Эффективность поражения цели – с первого-второго выстрела. Стоит отметить, что это была первая в мире полуавтоматическая система наведения противотанковых ракет, реализованная в серийном комплексе и обеспечивающая к тому же стрельбу сходу.

Через 25,5 с после схода ракеты система управления возвращалась в исходное положение, и можно было производить заряжание и пуск очередной ЗМ7. В случае поражения цели ранее этого времени был предусмотрен режим ускоренной подготовки аппаратуры управления к наведению следующей ракеты в процессе выдачи очередной ПТУР в боевое положение.


Механизированный стеллаж на 12 ракет 3M7 и пусковая установка.


Размещение боекомплекта ракет 3M7 в механизированном стеллаже в башне и в корпусе ИТ-1.


Общий вид ракеты 3M7 с опорами.


Ракета 3M7 и ее контейнер.


Устройство ракеты 3M7.



Выдача пусковой установки истребителя танков ИТ-1.


Справа: выдача пусковой установки с ракетой 3M7 (с опорами) из башни истребителя танков ИТ-1 и положение ПТУР перед пуском (опоры сброшены).


Механизированный стеллаж состоял из четырех рядов по три ракеты (крайние правые ракеты располагались под установкой) и имел механизм вертикальной подачи ракет и механизм боковой подачи ПТУР верхнего ряда на линию заряжания.

Автоматика системы заряжания пусковой установки обеспечивала подготовку ракеты к первому выстрелу через 6-7 с после нажатия кнопки выдачи. При нажатии на кнопку заряжания правая верхняя ракета поднималась к пусковой установке и стыковалась с ней. После получения оператором целеуказания от командира, по команде «заряжание» автоматически открывалась крышка люка и производилась выдача установки с ракетой на линию огня. Одновременно механизм боковой подачи подавал очередную ракету на линию заряжания, если в верхнем ряду были ракеты, в противном случае срабатывал механизм вертикальной подачи, поднимая платформу с ракетами на один шаг. Автоматизация заряжания обеспечивала техническую скорострельность до 5 выстр./мин. и прицельную скорострельность при стрельбе на дальность 3300 м – 2,5 выстр./мин. На первых опытных образцах истребителя танков «Объект 150» устанавливалась пусковая рейка-контейнер массой 15 кг.

В боекомплект ИТ-1 входили 15 управляемых ракет ЗМ7 ПТРК «Дракон» (калибр 180 мм, длина 1250 мм, масса 50 кг, максимальная скорость полета 200 м/с). При загрузке боекомплекта ракеты подавались на ИТ-1 в контейнерах, в которых они находились со сложенным оперением и специальными опорами. После выемки из контейнеров с этими же опорами ПТУР загружались в механизированный стеллаж (12 ракет) и укладывались у перегородки МТО (три ракеты). В транспортном положении ракета со сложенными стабилизаторами вписывалась в квадрат 230x230 мм. Кроме того, в боевом отделении укладывались 2000 патронов к пулемету ПКТ, 7,62-мм автомат АК с боекомплектом (300 патронов), 12 ручных гранат Ф-1 и сигнальный пистолет с 20 сигнальными патронами.

Ракета ЗМ7 была выполнена по аэродинамической схеме, средней между схемами «утка» и «поворотное крыло». Она включала: боевую часть кумулятивного действия с головодонным пьезоэлектрическим взрывателем мгновенного действия, взводившимся по перегрузкам стартового участка; аппаратурный отсек, в котором располагались станция ВС-А приема команд управления, блок автопилота, блок питания, воздушно-арматурный блок и рули; двухкамерный двигатель (стартовый и маршевый); шпангоут стабилизаторов и блок трассеров.

После старта ракеты (через 1-1,5 с) донный предохранительно-детонирующий механизм был готов к работе для подрыва боевой части. Если при промахе и падении ракеты на грунт боевая часть не срабатывала, то она подрывалась через 35-45 с после старта от самоликвидатора. Кроме того, боевая часть имела антиклевковое устройство, предохранявшее ее от подрыва при падении ракеты в непосредственной близости от танка. Кумулятивная боевая часть ракеты пробивала 250-мм броневой лист, установленный под углом 30° от вертикали.


Корпус и МТО истребителя танков ИТ-1.


Башня истребителя танков ИТ-1



Станция ВС-А предназначалась для приема высокочастотных сигналов команд управления и преобразования их в управляющие напряжения низкой частоты для управления блоком автопилота по курсу и высоте. Блок автопилота состоял из гироскопического блока и двух рулевых машинок. Поскольку в полете ракета вращалась с частотой 2 об./с, то гироскопический блок раскладывал курсовые и высотные команды по рулевым машинкам в соответствии с углом поворота ПТУР.

Воздушно-арматурный блок обеспечивал питание рулевых машинок сжатым воздухом, разарретирование и раскрутку гироскопического блока.

Блок питания использовался для питания электроэнергией станции ВС-А и блока автопилота и состоял из трех батарей типа Т-170М с полупроводниковым стабилизатором напряжений постоянного тока. Он выдавал напряжения +6,3 В, +10 В, -10 В, -17 В, +90 В.

Заряд маршевого двигателя ракеты ЗМ7 представлял собой цилиндрическую бесканальную шашку, изготовленную из пороха РНДСИ-5к. С помощью стартового двигателя ракета за 0,4-0,9 с приобретала скорость около 217 м/с. Маршевый двигатель поддерживал эту скорость постоянной на траектории в течение 12-15 с.

Кольцевой блок трассеров размещался вокруг сопла и обеспечивал надежную работу обратной световой линии связи с истребителем танков в сложных метеоусловиях. Он состоял из пяти сегментных дневных и двух сумеречных трассеров. В дневных условиях использовались все трассеры,

в сумеречных – только сумеречные. Переключение осуществлялось в танке оператором изменением полярности поджига.

Броневая защита истребителя танков ИТ-1 – противоснарядная. Корпус машины сваривался из броневых катаных листов толщиной 20, 30, 40, 80 и 100 мм и незначительно отличался от корпуса танка Т-62. Низкопрофильная башня, установленная на шариковой опоре, представляла собой фасонную стальную отливку, имевшую стенки переменной толщины. Толщина лобовой брони башни составляла 200 мм.

Для обеспечения действия истребителя танков на зараженной местности и в условиях применения ядерного, химического и бактериологического оружия устанавливалась система ПАЗ. Кроме того, ИТ-1 оснащался автоматической, унифицированной, трехкратного действия системой УА ППО. Для постановки дымовой завесы использовалась термическая дымовая аппаратура (ТДА).

В моторно-трансмиссионном отделении устанавливался дизель В-55А, представлявший собой модификацию дизеля В-55 без установки генератора (генератор Г-10 мощностью 10 кВт монтировался не на двигателе, а на подмоторной раме, рядом с ним и имел привод от входного редуктора трансмиссии). Емкость основных (трех) топливных баков составляла 695 л. Снаружи на правой надгусеничной полке располагались три наружных топливных бака общей емкостью 285 л.

Трансмиссия (за исключением входного редуктора) и элементы ходовой части машины были заимствованы у среднего танка Т-62.

Электрооборудование ИТ-1 выполнено по однопроводной схеме, за исключением дежурного освещения и электродвигателя водооткачивающего насоса. Напряжение бортовой сети составляло 24-28 В. В качестве средств внешней связи использовалась приемопередающая, (телефонная), радиостанция Р-123, для внутренней связи – ТПУ Р-124.

Для преодоления водных преград по дну ИТ-1 имел оборудование для подводного вождения танков (ОПВТ), с помощью которого мог преодолевать водные преграды по дну глубиной до 5 м и протяженностью до 700 м.



ФОТОАРХИВ