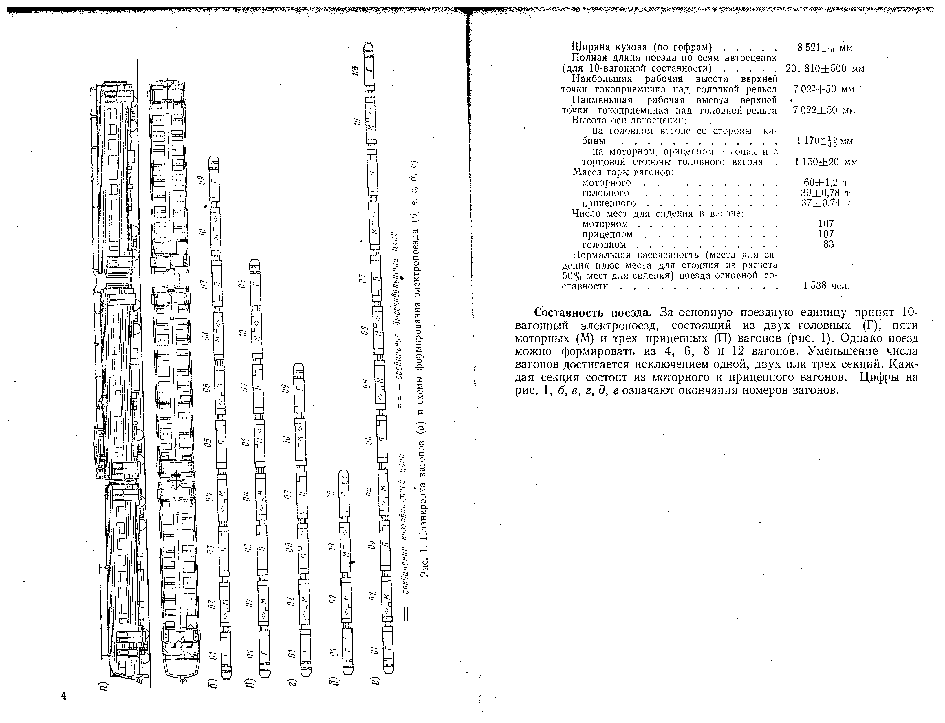
"Электропоезд ЭР9М. Руководство по эксплуатации" - читать интересную книгу автора (коллектив авторов)